侯春1, 朱旺2, 水恒琪2, 于东升2
(1.江苏安全技术职业学院 电气工程系, 江苏 徐州 221011; 2.中国矿业大学 电气与动力工程学院, 江苏 徐州 221116)
摘要:为解决煤矿安全监控系统中不同传感器的恒流无线供电问题,针对电流馈电型磁耦合感应式无线电能传输(ICPT)系统,研究了一种适用于无线电能传输的复合谐振补偿网络,推导了实现恒流输出的补偿网络所需条件,分析了软开关实现方式及系统参数变化对系统输出特性及输入阻抗角的影响。该网络通过补偿元件的重构组合及参数配置获得不同的输出增益,而无需重新设计松耦合变压器,简化了硬件电路。实验结果表明,该复合谐振补偿网络可以实现无线电能传输系统原边线圈及输出电流的负载无关性,同时满足开关管关断时的软关断,可用于实现煤矿安全监控系统中不同类型或型号传感器的恒流供电,有利于提高煤矿安全监控系统的可靠性及对不同负载的适应性。
关键词:煤矿供电; 电流型磁耦合感应式无线电能传输; 传感器无线供电; 恒流输出; 复合谐振; 软开关
中图分类号:TD608
文献标志码:A
网络出版地址:http://kns.cnki.net/kcms/detail/32.1627.tp.20181024.0721.001.html
HOU Chun1, ZHU Wang2, SHUI Hengqi2, YU Dongsheng2
(1.Electrical Department, Jiangsu College of Safety Technology, Xuzhou 221011, China; 2.School of Electrical and Power Engineering, China University of Mining and Technology, Xuzhou 221116, China)
Abstract:In order to solve problem of constant current wireless power supply of different sensors used in coal mine safety monitoring and control system, a composite resonator compensation network for wireless power supply were studied based on current-fed ICPT system,the necessary conditions of the compensation network for realizing constant output were derived, and influences of the implementation mode of soft switch and the system parameters on output characteristics and input impedance angle of the system were analyzed. The network can obtain different output gain through reconfiguration and parameter configuration of compensation element without redesigning loosely coupled transformer, which simplifies hardware circuit. The experiment results show that the proposed composite resonator compensation network can achieve load independence of the primary coil current and output current, and satisfy soft turn off of switching tube. The resonant compensation networks also can be used to realize the constant current power supply of different sensors used in coal mine safety monitoring and control system, which is beneficial to improve reliability of coal mine safety monitoring and control system and adaptability of different loads.
Key words:coal mine power supply; current-fed ICPT system; wireless sensor power supply; constant current output; composite resonator; soft switching
收稿日期:2018-04-17;
修回日期:2018-08-25;
责任编辑:张强。
基金项目:国家自然科学基金项目(51307174)。
作者简介:侯春(1981-),女,江苏徐州人,副教授,硕士,研究方向为无线电能传输、电力电子技术,E-mail:houchun2008@163.com。
引用格式:侯春,朱旺,水恒琪,等.电流型ICPT系统恒流输出复合谐振网络研究[J].工矿自动化,2018,44(11):84-90.
HOU Chun,ZHU Wang,SHUI Hengqi,et al.Research on composite resonator network with onstant-current output for current-fed ICPT systems[J].Industry and Mine Automation,2018,44(11):84-90.
文章编号:1671-251X(2018)11-0084-07
DOI:10.13272/j.issn.1671-251x.2018040036
近年来,传感器供电问题制约着矿井安全监控系统的推广与普及。对于矿井传感器等需要恒流供电的设备,无线电能传输技术具有有安全、高效、可靠及灵活等优点[1-4]。为了解决不同类型或型号传感器的恒流供电问题,实现不同负载情况下的恒流供电,已有相关研究人员做了大量工作,主要集中在4个方面:① 增加DC-DC变换器,通过改变占空比实现恒压或者恒流输出[5]。为避免出现极限占空比情况,该方法不适用于负载变化很大的情形,另外DC-DC电路的应用增加了系统体积。② 改变系统能量注入,实现不同负载情况下的恒流或者恒压输出[6],但该方法控制复杂,系统稳定性较低。③ 通过变频控制实现系统输出电压或者电流恒定[7],但是系统中会存在较大的无功功率,增加了系统功率容量,同时可能导致系统稳定性降低。④ 通过增加补偿元件并进行合理的参数设计,使系统工作在谐振频率处,以实现恒流或者恒压输出。该方法无需复杂控制算法的引入,容易实现,同时在系统工作中频率固定不变,即不会出现频率分叉现象[8]。上述研究表明,对于不同类型传感器的恒流供电的研究,虽取得了一定的成果,但仍有许多问题需要解决。
在无线电能传输系统中,能量的传递主要取决于松耦合变压器,但由于气隙的存在,耦合系数较低,因此,补偿电路的设计显得尤为重要。相比于单级的L(电感)或者C(电容)补偿电路,复合谐振网络将单级谐振环节通过串并联形式连接,使系统的谐振环节具有较强的谐振容量与抗扰动能力[9]。对于复合谐振网络的研究,文献[10]采用S/SP补偿网络,以电容补偿松耦合变压器的漏感及励磁电感,系统输出电压增益和负载与耦合系数无关。文献[11-12]通过加入LC(电感和电容)元件与松耦合变压器原边构成LCL(电感-电容-电感)电路,通过电感的合理配置实现恒压或者恒流输出。文献[13]提出一种双LCL谐振补偿方法,原边耦合电感电流与输出电流在耦合系数确定时都可以保持不变。文献[14]在恒压输出及单位功率因数输入的目标下,当副边电路采用串联补偿时,通过推导系统A参数得到原边T型补偿网络中补偿元件具体组成。
以上研究都是针对输入为电压源的情况,对于输入为电流源型的磁耦合感应式无线电能传输(Inductively Coupled Power Transmission,ICPT)研究还很少。电流型ICPT具有如下优点[15]:① 当系统出现故障时,直流侧输入电感具有短路电流保护功能,可以很好地限制短路电流。② 在电流馈电型ICPT系统中,原边电路通常采用电容并联补偿,对于输入谐振槽中的方波电流的高次谐波分量,电容阻抗相比于线圈阻抗来说很低,因此,流入线圈电流接近正弦波,受谐波电流干扰较小,更有利于能量的传输。为了研究电流馈电型ICPT系统的恒流输出特性,综合复合谐振优点[16],本文推导了实现恒流输出的补偿网络所需条件,分析了软开关实现方式及系统参数变化对系统输出特性及输入阻抗角的影响,实验结果证实了理论分析的正确性。该补偿网络可用于实现传感器无线供电系统的恒流输出,对于不同类型或不同型号的传感器,可以有针对性地选用对应的补偿网络而无需重新设计变压器,大大简化了硬件电路的设计,节约了成本。
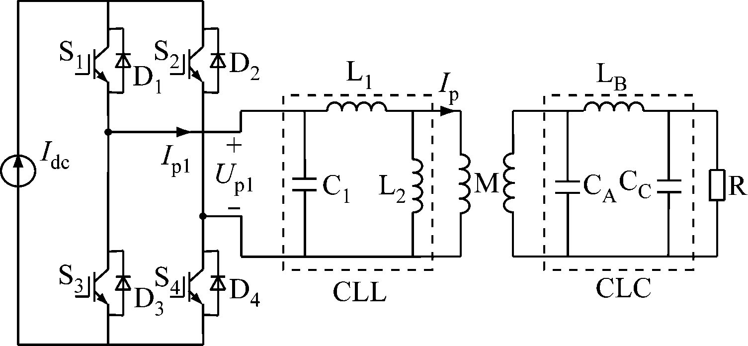
为了简化分析,对于逆变输出的方波电流,只选取其基波频率的正弦交流电来进行计算,电流馈电型ICPT系统结构如图1所示。其中,Iin为角频率为ω的交流电流源,Uin为输入电压,Uo、Io为输出电压、电流,Lp、Ls与M为松耦合变压器的原边电感、副边电感及互感,负载用交流等效电阻R表示。

图1 电流馈电型ICPT系统结构
Fig.1 Structure of current-fed ICPT system
对于图1所示电路,有
(1)
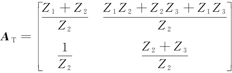
式中:二阶方阵
为整个系统的A参数矩阵,记为A;a,b,c,d为转移系数矩阵中的4个变量,其值由补偿网络的结构及其内部电路元件的参数决定。
对于图1所示级联系统,系统的A参数可以表示为
A=ApATAs
(2)
式中:Ap为原边补偿电路的A参数矩阵;AT为松耦合变压器的A参数矩阵;As为副边补偿电路的A参数矩阵。
当Ap或者As为已知时,可以根据矩阵求逆运算计算出另外一侧补偿电路的A参数矩阵表达式,进而求得内部元件的值。
根据式(1)可得输出电流增益及输入阻抗表达式为
(3)
(4)
为了实现输出电流的负载无关性,当负载发生变化时,Gi不会发生变化。从式(3)可以推算出
进而计算出输入阻抗Zin=(aR+b)/d。为了保证负载发生变化时系统输入阻抗随之变化,同时输入阻抗呈纯阻性,可以推出a≠0,b=0,并且d与cR相位角相同,即
从而可得
(5)
式中
表示Gi的共轭。
对于无源二端口网络的A参数,有ad-bc=1,所以
(6)
由式(6)可知,电流增益为实数。
相比于单级谐振网络,复合谐振具有以下优点:① 具有比单级LC谐振系统更大的谐振容量。② 谐振回路的功率因数接近1,具有比LC更小的频率偏移。③ 在相同的功率等级下,开关器件承受的电压、电流应力更低。因此,对于电流馈电型ICPT系统,本文原副边补偿网络均采用T型或者π型补偿电路,如图2所示,其中变量代表电感或者电容元件。

图2 T型与π型补偿电路
Fig.2 Compensation circuits of T model and π model
对于图2所示的T型与π型补偿电路,其二端口A参数矩阵可以表示为

(7)

(8)
为了在原边线圈中建立稳定的交变磁场,应保证流入原边线圈的电流不发生变化。由1.1节可知,为了实现输出电流的负载无关性,应使c=0。对于原边T型补偿电路来说,即1/Z2=0,从而可得Z2=∞,在电路中可以使Z2开路,而Z1+Z3可以是电感、电容或者等于0;当原边补偿网络是π型电路时,可得(ZA+ZB+ZC)/(ZAZC)=0,可以推导出ZA+ZB+ZC=0或者ZAZC=∞。当ZA与ZC中只有一个是无穷大时,(ZA+ZB+ZC)/ZAZC≠0,不满足条件,从而ZA+ZB+ZC=0或者ZA=ZC=∞。π型电路具体构成见文献[17],一共有8种组合。
当原边补偿电路确定之后,根据式(2)可以求出副边补偿电路的A参数矩阵表达式,然后由式(7)、式(8)可以计算出副边T型、π型电路内部元件的值。对于原边T型补偿电路,原边线圈流入电流为方波电流,不利于能量的高效传递,因此,本文重点分析原边为π型补偿电路的情形。由于篇幅限制,本文给出了2组原边π型、副边T型或者π型的复合谐振补偿网络具体组成,见表1。其中T-Z1Z2Z3与π-ZAZBZC分别表示T型、π型补偿电路。当其中某一元件等于零或者无穷大时用S与O代替;当原边补偿电路确定、副边补偿电路不随电流增益变化时,该种补偿网络用fixed表示;当某种补偿网络不存在时用none来表示。表1中:Δ1=
为副边补偿网络中所含的单一电感值;Δ2=(LpLs-M2)(ω2L2C-1)-LLs。
表1 复合谐振补偿网络
Table 1 Composite resonant compensation networks

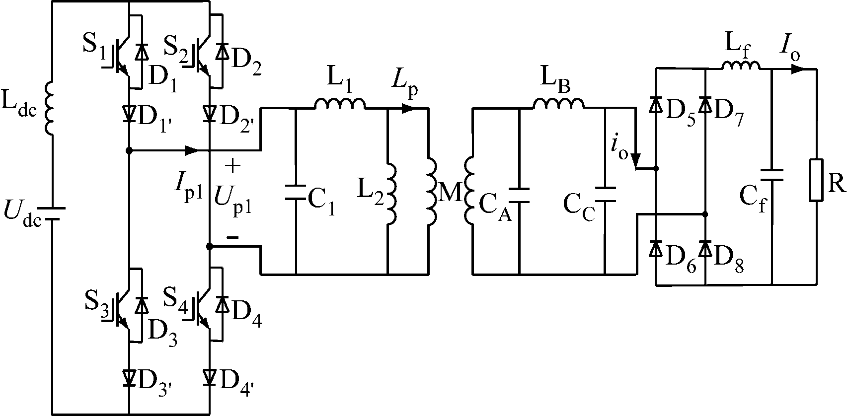
由表1可知,π型CLL-CLC补偿网络输出增益更为灵活,本文将分析图3所示电路。图中,Up1、Ip1为逆变输出电压、电流;Idc为电流源;L1,L2,C1构成原边π型补偿网络;CA,LB,CC构成副边补偿网络。

图3 CLL-CLC型补偿网络电路
Fig.3 Circuit of CLL-CLC compensation network
对于电流馈电型ICPT系统,为了保证输入电流具有连续回路,即当开关管S1导通时,电流Ip1可以从开关管S4流过;开关管S2导通时,电流从开关管S3流过,需要保证S1与S2、S3与S4的导通时间有所重叠[18]。逆变电路中4个开关管的驱动信号如图4所示。

图4 开关管驱动信号
Fig.4 Driving signals of power switches
当系统输入阻抗呈容性,即输入电流超前输入电压时,若开关管S1、S4导通,且电容C1两端电压为负,电容C1将被S4及S3的体二极管所短路,这会导致流过开关管的电流急剧增大,从而损坏开关管。为了避免出现上述情况,通常在4个开关管处各串联一个二极管[14]。另外,恒流源通常由直流电压源Udc串联一个大电感Ldc构成。图3可以表示为图5,其中,Lf与Cf构成滤波电路。

图5 恒流输出的电流型ICPT补偿网络电路
Fig.5 Current-fed ICPT compensation network
circuit with constant current output
S1及D1′工作电压波形如图6所示。由图6可看出,在t0之前,开关管S1与S4导通,此时开关管S1与二极管D1′两端电压为零,即US1=UD1′=0。在t=t0时,开关管S2与S3驱动信号为正,因为在t0之前S2与S3已经承受正向压降,从而S2与S3导通并开始换流。由于此时逆变输出电压仍然是正值,二极管D1′承受反向压降,其值UD1′等于逆变输出电压,开关管S1两端电压为零。在t=t1时,开关管S1开始关断,但是由于开关信号的重叠角通常小于电压滞后电流的相角,所以,此时逆变输出电压仍然为正,S1关断时其电流为零,实现了软开关。
为了实现开关管的软开关,可以通过调节原边、副边补偿电路中电感或者电容来使系统输入阻抗略呈感性或者容性,但是参数的改变会影响系统的输出特性。因此,有必要来研究这些补偿元件发生改变时的系统输出特性。
对于图5所示电路,原边π型补偿电路在基本满足ω2(L1C1+L2C1)=1时,流入原边线圈的电流可以认为保持不变,从而对输出电流或者电压增益影响不大,所以,本文只分析CA、LB、CC的取值对输出电流及输入阻抗角的影响。当L1=L2时,图5所示电路可以简化为图7。

图6 S1及D1′工作电压波形
Fig.6 Operating voltage waveforms of S1and D1′

图7 CLL-CLC型补偿网络等效电路
Fig.7 Equivalent circuit of CLL-CLC compensation network
为了方便计算,令|Gi|=1,根据式(2)、式(8)可得

(9)
当CA、LB、CC取值偏离计算值时,经过归一化处理,输出电流增益及输入阻抗相位角曲线如图8所示。由图8(a)可以看出,当参数变化范围为0.9~1.1倍时,CC、LB、CA对输出电流的影响逐渐增强。其中,电容CA对输出电流影响较大,所以,不可以通过改变电容CA的值来实现软开关;电容CC与电感LB对输出电流影响较小,其中电容CC的变化影响更小。由图8(b)可看出,电感LB改变时,阻抗相位角变化量大于电容CC改变时的阻抗相位角变化量。在本文中,为了实现开关管关断时的软开关,可以选择比计算值CC大一点的电容。
为了验证本文所提出的补偿网络的正确性,搭建了图5所示补偿电路的样机,利用电阻切换模拟负载的变化。其中松耦合变压器参数:Lp=Ls=83 μH,M=36 μH,原边、副边补偿电路参数见表2。

(a) 输出电流增益

(b) 输入阻抗相位角
图8 参数改变时电流及相位角变化曲线
Fig.8 The curves of output current and phase angle with
variation of compensation parameters
表2 原边、副边补偿电路参数
Table 2 Parameters of compensation circuit of primary
side and secondary side

为了简化计算,令电流增益为1。由表2可看出,为了实现软开关,实验中CC的取值稍微大于计算值。 系统工作频率为20 kHz,功率Mosfet管选择FDP2710,整流二极管选择SF-28,滤波电感和电容取值分别为420 μH,15 μF。
逆变输出电流为1 A,负载由5 Ω突变为10 Ω时的原边线圈电流Ip、输出电流Io及输出电压Uo波形如图9所示。从图9可看出,在负载突变前后,系统输出电流略微减小,但是可稳定在1 A左右,减小量小于0.02 A。另外输出电压从5 V上升到10 V左右且流入原边线圈的电流基本不变。
负载突变前后逆变输出电压与电流波形如图10所示。在轻载时,逆变输出电流谐波分量对逆变输出电压影响较大。为了降低谐波分量对系统传输效率的影响,在实验中,电容C1与全桥逆变之间增加并联LC滤波器。由图10可知,系统略呈容性,可以实现开关管关断时的软开关。

图9 负载突变时电流Io、Ip及电压Uo变化波形
Fig.9 Change waveforms ofIo,IpandUobefore and
after load mutation

(a)R= 5 Ω

(b)R=10 Ω
图10 负载突变前后逆变输出电压、电流波形
Fig.10 Waveforms of inverter output voltage and current
before and after load mutation
R=10 Ω时,开关管S1的驱动电压UGS1及其与串联二极管两端电压UDS1-D1′的波形如图11所示。从图11可看出,当开关管关断信号到来时二极管D1′承受反向电压,即流过开关管S1电流为零,实现了软开关。
不同负载下的系统传输效率曲线如图12所示。在轻载情况下,由于受到谐波影响,传输效率较低,但是在重载情况下,传输效率较高,可以保证能量的高效传输。
(1) 针对电流馈电型ICPT系统,提出了一簇复合谐振补偿网络拓扑,并进行了理论计算。以π型CLL-CLC补偿网络为例,搭建了实验样机并进行了实验。实验结果表明,该复合谐振网络不仅可以实现不同负载条件下的输出电流恒定,输入阻抗也接近纯阻性,而且可以实现开关管的软开关操作,提高了传输效率。

图11 开关管S1的驱动电压UGS1及其与串联二极管两端
电压UDS1-D1′的波形
Fig.11 Waveforms of S1driving voltageUGS1andUDS1-D1′

图12 不同负载下的系统传输效率曲线
Fig.12 Transmission efficiency curve with different
load resistors
(2) 该复合谐振补偿网络对矿井中需恒流供电的传感器系统具有重要意义,无线电能供电系统无需更换线圈,只需更换不同的复合谐振补偿网络即可实现对不同类型或型号的传感器进行恒流供电。
参考文献:
[1] JOUNG G B, CHO B H. An energy transmission system for an artificial heart using leakage inductance compensation of transcutaneous transformer[J]. IEEE Transactions on Power Electronics,1998,13(6):1013-1022.
[2] PAPASTERGIOU K D, MACPHERSON D E. An airborne radar power supply with contactless transfer of energy-part I rotating transformer[J]. IEEE Transactions on Industrial Electronics, 2007, 54(5):2874-2884.
[3] XUN L, HUI S Y. Simulation study and experimental verification of a universal contactless battery charging platform with localized charging features[J]. IEEE Transactions on Power Electronics, 2007,22(6):2202-2210.
[4] CHEN Q H, WONG S C, TSE C K, et al. Analysis, design and control of a transcutaneous power regulator for artificial hearts[J]. IEEE Transactions on Biomedical Circuits and Systems, 2009,3(1): 23-31.
[5] 陈国东.非接触电能传输系统恒流技术研究[D].重庆:重庆大学, 2008.
[6] 戴欣,曹伟华,孙跃.非接触电能传输系统恒流充电控制方法研究[J].电子科技大学学报,2013,42(1):81-86.
DAI Xin,CAO Weihua,SUN Yue.Study on constant charging current charging control of contactless power transfer systems[J].Journal of University of Electronic Science,2013,42(1):81-86.
[7] ZHENG C.High-efficiency contactless power transfer system for electric vehicle battery charging application[J]. IEEE Journal of Emerging and Selected Topics in Power Electronics, 2015, 3(1):65-74.
[8] PANTIC Z, BAI S, LUKIC S M. ZCS LCC-compensated resonant inverter for inductive-power-transfer application[J]. IEEE Transactions on Industrial Electronics,2011,58(8):3500-3510.
[9] 王智慧,孙跃,戴欣,等.CLC型非接触电能传输系统输出控制[J].西南交通大学学报,2012,47(1):26-31.
WANG Zhihui,SUN Yue,DAI Xin,et al.Output control of CLC type contactless power transfer systems[J].Journal of Southwest Jiaotong University,2012,47(1):26-31.
[10] 侯佳,陈乾宏,严开沁,等.新型S/SP补偿的非接触谐振变换器分析与控制[J].中国电机工程学报, 2013,33(33):1-8.
HOU Jia,CHEN Qianhong,YAN Kaiqin,et al. Analysis and control of S/SP compensation contactless resonant converters[J].Proceedings of the CSEE,2013,33(33):1-8.
[11] 孙跃,张欢,唐春森,等.LCL型非接触电能传输系统电路特性分析及参数配置方法[J].电力系统自动化,2016,40(8):103-107.
SUN Yue,ZHANG Huan,TANG Chunsen,et al. Circuit characteristic analysis and parameter configuration method of LCL type contactless power transfer system[J].Automation of Electric Power Systems,2016,40(8):103-107.
[12] 邹爱龙,王慧贞,华洁.基于LCL补偿的多负载移动式感应非接触电能传输系统[J].中国电机工程学报,2014,34(24):4000-4006.
ZOU Ailong, WANG Huizhen, HUA Jie. The movable ICPT system with multi-loads based on the LCL compensation circuit[J]. Proceedings of the CSEE, 2014, 34(24):4000-4006.
[13] 刘闯,郭赢,葛树坤,等.基于双LCL谐振补偿的电动汽车无线充电系统特性分析与实验验证[J].电工技术学报,2015,30(15):127-135.
LIU Chuang, GUO Ying, GE Shukun, et al. Characteristics analysis and experimental verification of the double LCL resonant compensation network for electrical vehicles wireless power transfer[J]. Transactions of China Electrotechnical Society, 2015, 30(15):127-135.
[14] 黄晓生,陈为.用于磁感应耦合式电能传输系统的新型补偿网络[J].中国电机工程学报,2014,34(18):3020-3026.
HUANG Xiaosheng, CHEN Wei. A novel compensation network for ICPT systems[J]. Proceedings of the CSEE,2014,34(18):3020-3026.
[15] SAMANTA S, RATHORE A K. Wireless power transfer technology using full-bridge current-fed topology for medium power applications[J].IET Power Electronics,2016,9(9):1903-1913.
[16] 夏晨阳,陈国平,任思源,等.采用新型负载恒流供电复合谐振网络的无线电能传输系统[J].电力系统自动化,2017,41(2):46-52.
XIA Chenyang,CHEN Guoping,REN Siyuan, et al.Wireless power transfer system with the new type composite resonant network for current source loads[J].Automation of Electric Power Systems,2017,41(2):46-52.
[17] ZHANG W, MI C C. Compensation topologies of high-power wireless power transfer systems[J]. IEEE Transactions on Vehicular Technology, 2016, 65(6):4768-4778.
[18] PAN Xuewei,RATHORE A K.Novel bidirectional snubberless naturally commutated soft-switching current-fed full-bridge isolated DC/DC converter for fuel cell vehicles[J].IEEE Transactions on Industrial Electronics,2014,61(5):2307-2315.