王清亮,赵东强,邵磊,李忠
(西安科技大学 电气与控制工程学院,陕西 西安 710054)
摘要:针对现有矿山电网故障选线方法信号检测灵敏度低、受中性点运行方式及接地点电弧的影响大等问题,分析了单相接地故障的序电流及谐波电流特性,根据基波负序电流主要经接地线路首端流向系统、非接地线路首端无基波负序电流流过等结论,提出了一种以基波负序电流为主判据、谐波总电流为辅助判据的单相接地故障选线新方法,并对该方法进行了可靠性分析及仿真计算。仿真结果表明,与传统故障选线方法相比,该方法受中性点运行方式、故障类型等因素的影响小,具有更好的可靠性和自适应性。
关键词:矿山电网;故障选线;单相接地故障;负序电流;谐波电流
网络出版地址:http://www.cnki.net/kcms/detail/32.1627.TP.20160930.1011.013.html
与公用配电网相比,矿山电网具有如下特点:① 矿山多属高危险场所,发生单相接地后要求立即断电,而公用配电网则允许单相接地后继续运行;② 单相接地多伴有弧光;③ 电流波形畸变较为严重;④ 矿井电气设备属防爆型设备,不允许拆开外壳接线,选线装置无法获取同一条母线上所有馈线的零序电流。这些特性使得矿山电网故障选线方法与公用电网故障选线方法有较大差异。
现有的故障选线原理通过比较同一条母线上所有馈线的零序电流辨识接地线路[1-6],选线方法分为暂态量选线方法和稳态量选线方法,实际应用中主要采用稳态量选线方法。稳态量选线方法主要包括基波零序分量法[2]、零序有功电流法和5次谐波分量法[3,5],应用中存在的缺陷:① 信号幅值小,场干扰大,信号检测灵敏度低;② 基波零序分量法受中性点运行方式及接地点电弧的影响大。
针对以上问题,本文深入分析矿山电网发生单相接地故障时的序电流特性,根据矿山电网谐波量较大的特点,提出了一种基于基波负序电流和谐波总电流的单相接地故障选线方法。该方法可有效改善现有故障选线方法的不足,有良好的自适应性和可靠性。
1.1 基波负序电流分布特性
矿山供电系统的母线上有多条馈线。当某馈线发生单相接地故障(以A相接地为例)时,根据对称分量法原理[6],基波负序电流在系统中的分布如图1所示。其中B为母线,i,j,f为3条馈线;
A2为基波负序电压;
2-f为接地点基波负序电流,
2-f为流过接地线路f首端的基波负序电流,
″2-f为流向接地线路f负载的基波负序电流,
2-j分别为非接地线路i,j首端的基波负序电流,
2-S为流向系统的基波负序电流;ziL2,zjL2分别为非接地线路i,j的负序阻抗,zim2,zjm2分别为非接地线路i,j上负载的负序阻抗,
fL2为接地点至母线之间接地线路的负序阻抗,z″fL2为接地点至负载之间接地线路的负序阻抗,zfm2为接地线路f所接负载的负序阻抗,zS2为系统的负序阻抗,zg为接地阻抗。

图1 基波负序电流分布
由图1可知
(1)
(2)
负载负序阻抗较大,是线路负序阻抗和系统负序阻抗的近百倍[7]。基波负序电流的关系:
(3)

(4)
发生单相接地故障时,基波负序电流在矿山电网中的分布规律:① 基波负序电流经单相接地线路流向系统侧;② 在单相接地线路首端流过较大的基波负序电流,非接地线路首端无基波负序电流流过。
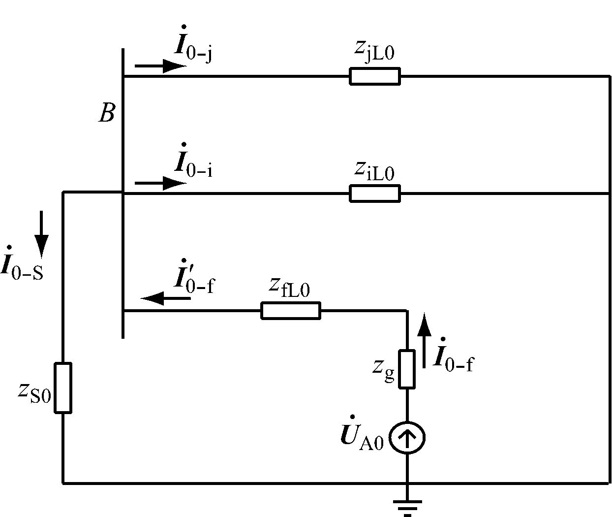
1.2 基波零序电流分布特性
由于负载中性点不接地,基波零序电流不流向线路末端,所以发生单相接地故障时,基波零序电流在系统中的分布如图2所示。其中
A0为基波零序电压;
0-f为接地点基波零序电流,
0-f为流过接地线路f首端的基波零序电流,
0-j分别为非接地线路i,j首端的基波零序电流,
0-S为流向系统的基波零序电流;zfL0为接地线路f的零序阻抗,ziL0,zjL0分别非接地线路i,j的零序阻抗,zS0为系统的零序阻抗。

图2 基波零序电流分布
由图2可知
(5)
系统零序阻抗远大于馈电线路的零序阻抗,因此有
(6)
(7)
基波零序电流在矿山电网中的分布规律:① 基波零序电流不流经系统侧和负荷侧,主要经单相接地线路首端流向所有非接地线路,单相接地线路上的基波零序电流值最大;② 非接地线路首端流过基波零序电流;③ 基波零序电流受接地点阻抗、中性点运行方式和消弧线圈参数的影响大。
1.3 序电流特性仿真
以3回馈线的10 kV供电系统为例进行仿真。系统阻抗为(0.25+j0.9)Ω,消弧线圈过补偿度为7%,3回馈线的长度分别为2,3,5 km,线路正序阻抗、零序阻抗分别为(0.17+j0.38) Ω/km,(0.23+j1.72) Ω/km,对地零序容纳为1.884 μS/km,第3条馈线的负载不对称。
当消弧线圈退出运行时,各线路的基波负序电流和基波零序电流波形如图3所示。由于线路的零序阻抗比线路的负序阻抗大,所以在接地线路首端处的基波负序电流略大于基波零序电流,如图3(a)所示;非接地线路首端处的基波负序电流很小,而基波零序电流远大于基波负序电流,如图3(b)、图3(c)所示。仿真的基波序电流规律与理论分析一致。

(a) 接地线路

(b) 非接地线路1

(c) 非接地线路2
图3 中性点不接地时各线路的序电流
当消弧线圈投入运行时,仿真波形如图4所示。由于非接地线路上的基波序电流与没有接入消弧线圈时的变化规律相同,图4中只给出接地线路的序电流波形。由于消弧线圈的影响,接地线路首端基波零序电流迅速减小,且方向发生变化,而基波负序电流几乎没有变化,验证了基波负序电流不受中性点运行方式影响的结论。

图4 中性点接有消弧线圈时接地线路的序电流
矿山电网中有大量非线性电气设备,使得馈电线路中谐波含量较为可观;实际运行中,纯阻性接地故障发生率较低,单相接地往往伴有弧光,导致故障电流中含有大量谐波。笔者近年来对10个矿山电网进行了谐波测试,结果表明多数馈线的电流畸变率波动范围为4%~10%,下井馈线、通风馈线及提升馈线的电流畸变率更高,甚至达20%~30%。
消弧线圈的参数是根据基波计算的,对各次谐波不具有补偿作用,因此,发生单相接地故障时,谐波的变化规律不受消弧线圈的影响,其特性与中性点不接地方式下基波零序电流的规律类似。
本文提出一种以线路基波负序电流为主判据、谐波电流为辅助判据的单相接地故障选线新方法,选线原理如下。
(1) 选线主判据。当基波负序电流最大,且该线路基波负序电流远大于其他馈线基波负序电流时,判断该线路发生单相接地故障,即
(8)
(9)
式中
为接地线路的基波负序电流;
为各馈线的基波负序电流,n为总馈线数;k为基波负序电流分布系数,由于非接地线路首端几乎无基波负序电流,所以k≫0.80。
(2) 辅助判据。基波负序电流不受中性点运行方式、馈线参数不平衡的影响。但消弧线圈会减小基波负序电流,影响选线灵敏性。为消除消弧线圈及低压侧负荷不对称引起的选线误判,选用谐波电流作为辅助判据。接地线路的综合谐波电流为
(10)
式中
为各馈线的综合谐波电流。
4.1 性能分析
发生铁磁谐振时,电网零序电压会大幅升高,与单相接地故障非常相似,易导致选线装置误动作。铁磁谐振发生在线路对地分布电容和系统对地电感之间,这是一个零序回路,而负序电流不流经该回路;原西北电力试验研究所对10 kV电网进行计算,得出系统中可能出现的谐振主要为分频谐振和基频谐振[6],谐波电流特性不受系统谐振的影响。因此,采用基波负序电流与谐波总电流作为选线特征参数能有效提高故障选线的可靠性,避免误判。
基波负序电流的流通回路不包含线路分布电容、消弧线圈,其分布规律不受配电网中性运行方式、线路参数不平衡的影响;矿山电网中性点均采用非有效接地方式,负序回路的振荡衰减时间常数远小于零序回路的时间常数。因此,基波负序电流受电弧的影响较基波零序电流小,有良好的抗弧光能力。
在单相接地线路上,基波负序电流与基波零序电流在数值上相差不大,而在非接地线路上无基波
负序电流流过,本文通过分析基波负序电流信号的有无来辨识单相接地线路,相对于比较各线路基波零序电流的方法具有更好的灵敏性。
4.2 仿真计算与分析
以母线接有5条馈线的10 kV供电系统为例进行仿真,馈线长度分别为0.5,2,3,1,5 km,线路参数与1.3节中模型相同。第1条和第4条馈线的负载不对称。在中性点经消弧线圈接地电网中,铁磁谐振及弧光的发生概率较低,因此,仿真中的弧光和谐振算例只在中性点不接地方式下设置。仿真计算结果见表1,其中I表示中性点不接地,II表示中性点经消弧线圈接地。由表1可知,接地线路首端的基波负序电流远大于非接地线路的基波负序电流,基波负序电流分布系数k均大于0.98,接地线路的综合谐波电流最大。
单相接地时的基波零序电流和有功电流见表2,其中
分别为接地线路的基波零序电流和有功电流,
(p=1,2,3,4)分别为非接地线路的基波零序电流和有功电流。计算结果验证了中性点运行方式变化及弧光对基波零序电流影响较大,有功电流受故障条件变化的影响小,但数值整体较小,检测灵敏度低,因此采用线路基波负序电流和综合谐波电流进行故障选线具有较高的可靠性。
表1 单相接地故障选线新方法仿真计算结果

表2 传统方法仿真计算结果

基于基波负序电流和谐波总电流的单相接地故障选线方法以基波负序电流为选线主判据,谐波电流为辅助判据。与现有故障选线方法相比,该方法受中性点运行方式、故障类型等因素的影响小,可直接应用于矿山地面变电所。该方法应用于矿井变电所时,可只采用基波负序电流作为选线判据。由于基波负序电流只流过接地线路首端,不需要获取和综合比较所有线路的故障信息,非常适合应用在矿井、化工、石油等具有易燃性物质的企业电网中。
参考文献:
[1] 任志玲,张媛媛.基于改进的HHT变换和信心度的配电网故障选线[J].电力系统保护与控制,2015,43(10):8-13.
[2] 马春艳,龚瑛.煤矿谐振接地故障模糊综合选线方法[J].工矿自动化,2015,41(11):81-84.
[3] 张鑫,牟龙华.基于信息融合的矿山电网复合保护[J].煤炭学报,2012,37(11):1947-1952.
[4] 王晓卫,高杰,魏向,等.基于小波包贝叶斯的小电流接地系统故障选线方法[J].工矿自动化,2014,40(6):54-58.
[5] 庄伟,牟龙华.基于零序电流有功分量的配电网接地故障定位[J].同济大学学报,2014,42(3):468-473.
[6] 李琦.电力系统电气故障和异常现象分析[M].北京:中国电力出版社,2015.
[7] 曾祥君,尹项根,张哲,等.配电网接地故障负序电流分布及接地保护原理研究[J].中国电机工程学报,2001,21(6):84-89.
WANG Qingliang,ZHAO Dongqiang,SHAO Lei,LI Zhong
(School of Electrical and Control Engineering,Xi'an University of Science and Technology, Xi'an 710054,China)
Abstract:For problems that existing fault line selection methods for coal mine power network had low detecting sensitivity and were easily influenced by neutral point operation mode and electric arc at grounding point,characteristics of sequence current and harmonic current of single phase grounding fault were analyzed,and conclusions were gotten including that the fundamental negative sequence current was allotted to distribution system from grounding line head,and no fundamental negative sequence current flowed through health line head.According above conclusions,a novel line selection method of single phase grounding fault was proposed which took fundamental negative sequence current as the first criteria and harmonic current as the second criteria,and reliability analysis and simulation calculation about the method were taken out.The simulation results show that there is little influence on the method by neutral point operation mode and fault type,and the method has better reliability and adaptability compared with traditional methods.
Key words:coal mine power network; fault line selection; single phase grounding fault; negative sequence current; harmonic current
文章编号:1671-251X(2016)10-0040-05 DOI:10.13272/j.issn.1671-251x.2016.10.009
王清亮,赵东强,邵磊,等.适用于矿山电网的单相接地故障选线新方法[J].工矿自动化,2016,42(10):40-44.
收稿日期:2016-05-24;
修回日期:2016-08-19;责任编辑:李明。
基金项目:陕西省自然科学基础研究计划资助项目(2015JM5211);陕西省教育厅科研计划资助项目(2013JK1007)。
作者简介:王清亮(1969-),女,山西永济人,教授,博士,长期从事煤矿电气安全方面的研究工作,E-mail:wangxjql@163.com。
中图分类号:TD60
文献标志码:A 网络出版时间:2016-09-30 10:11