牛兵1,张昊1,郭榕明1,伍小杰2
(1.国家电网辽宁省电力有限公司,辽宁 大连 116001;2.中国矿业大学 信息与电气工程学院,江苏 徐州 221116)
摘要:为了保证大功率矿山装备故障状态下的安全、可靠运行,提出一种大功率煤电装备双绕组电励磁同步电动机系统容错运行方法。首先,建立两相旋转坐标系下的双绕组WFSMs数学模型,选取气隙磁链为矢量控制主磁场,建立自切换电压、电流模型的混合气隙磁链观测器;在此基础上,基于主、从并联驱动机制完成双WFSMs矢量控制系统设计,并指出故障状态下WFSMs系统模型之间的变化关系,进而引入主动电流修正机制实现双绕组WFSMs容错运行。最后,2.5 MW双绕组WFSMs矿井提升机工业现场测试结果表明,所提方法在保证WFSMs驱动系统动、稳态性能的同时,可实现系统在故障状态下的容错运行。
关键词:矿山装备;双绕组;电励磁同步电动机;容错运行
网络出版地址:http://www.cnki.net/kcms/detail/32.1627.TP.20160930.1018.018.html
现代矿山正朝着超大规模、超深井方向不断发展[1-2],电励磁同步电动机(Wound Field Synchronous Machines,WFSM)由于具有过载能力强、效率高、功率因数可调等优点,将成为MW级大功率矿山应用的核心装备[3]。双定子绕组式结构可以提升WFSM的极限容量和运行品质,同时双绕组结构可互为冗余备用单元,从而确保矿山关键设备不断电运行[4-5]。现有关于WFSM驱动系统的研究成果多集中在单绕组式。参考文献[6-8]从磁场定向、模型观测、PWM调制等多角度对单绕组WFSM矢量控制系统进行了推导分析,得出矢量控制方案适用于WFSM驱动系统的结论。参考文献[9-10]进一步针对WFSM中存在的动态激磁问题,完善了定、转子自适应激磁电流分配机制,从而有限地提升了系统动态模型的稳定性。然而,现有文献中关于双绕组WFSMs高性能驱动的研究很少,仅参考文献[11]对双绕组系统等效单绕组模型进行了可行性推导,但并未对该模型在矢量控制系统中的适用性进行进一步分析与验证。
为了保证大功率矿山装备故障状态下的安全、可靠运行,本文提出一种双绕组WFSMs系统容错运行方法。
1.1 系统等效图
双绕组WFSMs系统等效示意如图1所示,图中双绕组WFSMs定子上有2套错开30°电角度的三相绕组ABC和RST,其可等效为不对称六相系统,使得定、转子之间随位置变化的互感数目加倍,而且2套绕组本身的耦合关系也非常复杂,得到其工程适用的数学模型很难。

图1 双绕组WFSMs系统等效示意
采用传统三相ABC和RST系统分析方法得出三相ABC和RST静止坐标系下双绕组WFSMs系统模型,如式(1)—式(3)所示。
电压方程:

(1)
磁链方程:

(2)
转矩方程:
(3)
式中:u,i,R,L,ψ分别为电压、电流、电阻、电抗及磁链分量;下标s和r分别表示定、转子分量;下标S1和S2分别表示ABC和RST绕组;下标eDQ表示压力磁绕组;p为微分算子;np为电动机极对数;λ为转子位置角。
1.2 旋转dq坐标系下建模
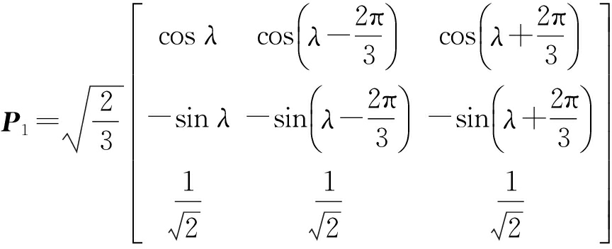
式(1)—式(3)描述了双绕组WFSMs的动态特性,但其中电感分量是一个随转子位置角λ和时间t暂态变化的分量,因此,上述方程表现为强非线性态。旋转坐标变换可以一定程度上降低上述非线性特性,然而考虑到双绕组WFSMs中2套绕组错相30°电角度,对应的ABC和RST绕组的变换矩阵分别如下。
ABC绕组变换矩阵P1:
(4)
RST绕组变换矩阵P2:

(5)
考虑到转子激磁绕组物理特性即为dq轴分量,故其无需进行旋转坐标变换,将P1,P2代入式(1)—式(3)中,可得双绕组WFSMs在转子旋转dq坐标系下的数学模型,如式(6)—式(8)所示。
电压方程:



(6)
磁链方程:

(7)
转矩方程:
(8)
式中:i,Ψ分别为定子电流和磁链复数域矢量,上标S1,S2分别表示ABC和RST绕组;上标e表示励磁绕组分量;ω为转子旋转角速度;Lmd为定、转子互感。
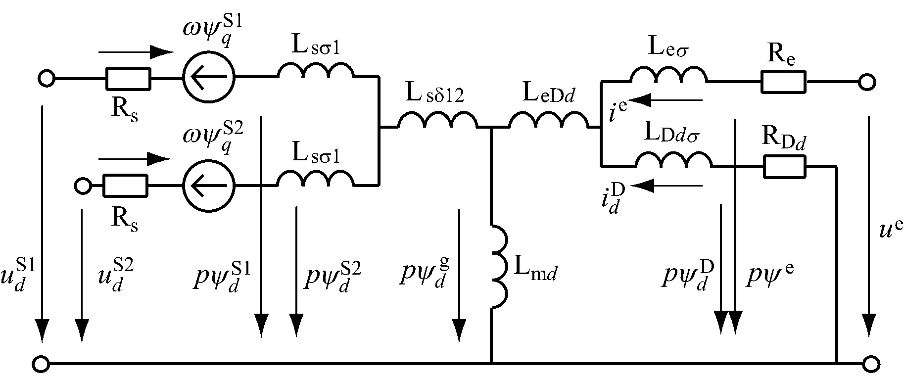
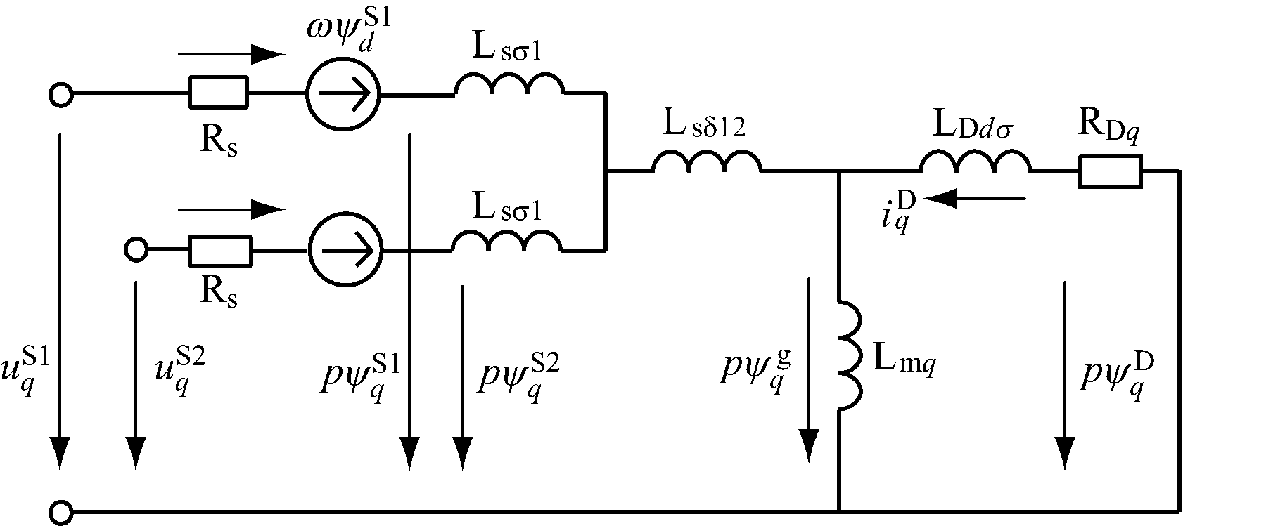
旋转dq坐标系下双绕组WFSMs等效电路如图2所示,图中下标σ表示漏感量,上标g表示气隙磁链量。
对于高性能双绕组WFSMs矢量控制系统,如何准确获得WFSMs磁链信息尤为重要。现有磁链检测方式主要有直接检测和间接检测2种。直接检测法工艺、精度、成本均无法满足现阶段大功率矿山驱动系统湿热、多变的现场环境。因此,间接检测法成为双绕组WFSMs矢量控制系统的主流工程手段,间接检测法即利用双绕组WFSMs可测量电压、电流、转速信息进行磁链计算。参考文献[12]指出,选择气隙磁链作为WFSMs矢量控制定向磁链,可实现式(6)—式(8)中dq轴数学模型的最优解耦。从图2可以看出,双绕组WFSMs磁链信息可通过电压积分和电流计算2种方式获得,电压、电流方式下的磁链观测模型分别为

(a) d轴等效电路

(b) q轴等效电路
图2 旋转dq坐标系下双绕组WFSMs等效电路
(9)
(10)
式中:上标u,i分别表示对应电压、电流模型变量。
双绕组WFSMs空间矢量关系如图3所示。

图3 双绕组WFSMs空间矢量关系
考虑到大功率矿山装备传感器精度、控制系统测量误差等一系列因素,无法保证单一模型在全速域范围内的磁链观测精度,本文引入闭环调节机制,旨在实现电压、电流模型平滑过度。令
为电压模型闭环控制系统前向通路量,
为电流模型反馈通路量,则闭环混合模型观测器输出为
(11)
式中:传递函数Gu(s),Gi(s)为电压、电流模型系数,满足以下关系式:
(12)
设Gi(s)具有低通滤波器特性,Gu(s)具有高通滤波器特性,只需要合理选择传函系数,即可通过改变Gi(s),Gu(s)的幅频特性来实现电压模型和电流模型的平稳切换。选取传函系数的基本原则:低速时电流模型起主要作用,高速时电压模型占主导地位;设λ1,λ2为Gi(s),Gu(s)的2个极点,若电动机额定频率为50 Hz,一般λ1取为5 rad/s,λ2取为25 rad/s。双WFSMs电压、电流模型的切换点频率频域分析结果如图4所示,图中观测器模型在25 Hz附近完成模型平滑切换。


图4 双WFSMs电压、电流模型的切换点频率频域分析结果
3.1 矢量控制原理
基于气隙磁链定向的矢量控制系统可实现WFSMs定子电流的独立调节,从而实现对高阶、耦合WFSMs的解耦控制。令双绕组WFSMs中定子电流取值一致,即
(13)
将式(13)代入式(6)可得定子磁链和电磁转矩方程:
(14)
(15)
从式(15)可以看出,简化后的WFSMs输出电磁转矩方程与三相电动机系统一致。在MT(磁场-转矩)坐标系下,由于ΨT=0,ΨM=|Ψm|,可将转矩方程进一步简化描述为
(16)
式中:isT为转矩轴电流。
综上可知,将流过双绕组WFSMs的2套绕组的MT轴电流均分,可实现双绕组WFSMs矢量控制模型的归一化处理。双绕组WFSMs矢量控制系统如图5所示,图中双绕组电流内环运行机制保持一致,均由PI调节器实现转矩、激磁电流调节,并以PWM脉冲输出形式分别作用于双绕组WFSMs的2套绕组中。大功率驱动系统多采用恒定磁场控制模式,因此,其对应定子端口电压随电动机转速呈正比例关系。当双绕组WFSMs运行于额定转速下时,双绕组分别承担一半的电动机定子端电压,即双绕组驱动系统在额定电流保持不变的前提下,通过串联增压实现了系统容量的扩充。

图5 双绕组WFSMs矢量控制系统
3.2 容错运行方法
容错运行即在双绕组WFSMs驱动系统某主回路出现故障停机时,主动切除该故障回路,并通过调整控制手段使WFSMs驱动系统运行于满负载、半转速的容错工况。
假设双绕组WFSMs系统故障点出现在RST回路中的R相中,由于R相电流缺失将造成WFSMs转矩脉动增加,将式(3)的转矩方程在故障状态下展开可得
(17)
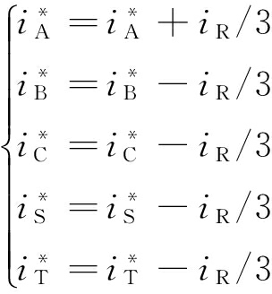
可以看出,由于双绕组WFSMs电流的不对称性,图5中均分电流的矢量控制方法将不再适用。此时,若将R相缺失的电流分配到其他5相绕组中,保证电流矢量相位、幅值不变,可实现系统容错运行。故障状态下双绕组WFSMs电流矢量关系如图6所示。其中,将R相绕组电流分别沿A,B,C,S,T方向进行分解,得出修正后的5相绕组电流给定值为

(18)
式中
分别为A,B,C,S,T五相绕组修正后的电力给定值。

图6 故障状态下双绕组WFSMs电流矢量关系
分析图6可知,修正后的电流矢量给定值与修正前一致,即WFSMs输出电磁转矩等同于无故障状态,同时避免了由于R相电流矢量缺失造成的电磁转矩问题。具备容错运行机制的WFSMs矢量控制系统如图7所示。

图7 具备容错运行机制的WFSMs矢量控制系统
为了验证大功率矿山装备双绕组WFSMs系统容错运行方法的可行性,基于2.5 MW双绕组WFSMs主井绞车平台进行现场调试。绞车双绕组WFSMs额定功率为2 600 kW,主井提升高度为513.2 m,最大提升速度为10 m/s(属于高速提升装备)。驱动系统采取双三电平式拓扑结构,最大输出电压为1 192 V,最大输出电流为1 527 A。
双绕组WFSMs绞车系统稳态、动态测试结果如图8所示。图8(a)中,绞车运行于稳态额定转速、满负载工况,可以看出,三电平逆变器输出线电压uAB呈5阶梯PWM形状,较之中、低压系统中常用的两电平拓扑在正弦度、耐压等方面优势显著,更适用于矿山大功率煤机装备;双绕组WFSMs输出转矩Te平稳且脉动较小(小于5%额定值),由此可见双绕组结构对于抑制磁路谐波的重要意义;A相电流iA和R相电流iR在相位、幅值上均保持一致,表明了基于均流控制的双绕组WFSMs矢量控制方法的可行性。图8(b)中,绞车运行于动态满负载启动状态,其中转矩输出值Te迅速追踪上给定值
,耗时仅为0.03 s,由此可见WFSMs系统展现出良好的动态响应特性;Ψα,Ψβ为两相静止坐标系下的气隙磁链分量,Ψα,Ψβ平滑且正弦,进一步佐证了双绕组结构对于提升同步电动机输出品质的积极意义。

(a) 稳态测试结果

(b) 动态测试结果
图8 双绕组WFSMs稳态、动态测试结果
故障状态下WFSMs容错运行前后对比结果如图9所示,对比测试均在R相绕组故障的情况下完成。可以看出,图9(a)中,均流控制方法已无法维持WFSMs的圆形磁场状态,低频特征次谐波的注入不可避免地破坏了WFSMs的运行品质。反观容错运行机制下的磁链测量结果,其气隙磁链仍呈标准圆形状态,保证了故障状态下的WFSMs系统容错运行;图9(b)中,转矩频谱分析结果进一步佐证了上述观点;图9(c)中进一步对比系统电气状态,容错机制修正后的A,B,C三相电流不再呈三相对称状态,A相电流增加300 A,B相和C相电流对应减少300 A,测试结果与式(18)中修正量一致。考虑到A相电流增加量的存在,结合驱动装置最大电流限制,双绕组WFSMs系统要降容约30%运行,与直接切除RST相绕组时要降容50%相比,系统故障状态下的运行容量得到大幅提升。同时,由图9(c)中气隙磁链定向角θm对比可知,容错机制下磁场稳定度更高,且无低频特征次谐波出现,与图9(b)中转矩频谱分析结果一致。

图9 故障状态下WFSMs容错运行前后对比结果
为了保证大功率矿山装备故障状态下的安全、可靠运行,研究了一种双绕组WFSMs容错运行方法,通过理论分析和工程实验得出:基于混合磁链模型和平均电流控制的双绕组WFSMs矢量控制系统均流效果良好,且具有转矩脉动小、磁场正弦度高等优点;电流修正机制的引入保证了故障状态下
WFSMs输出电流幅值、相位的统一,同时圆形磁场避免了电动机输出品质恶化。
参考文献:
[1] 王国法,吴兴利,庞义辉.千万吨矿井群安全高效可持续开发关键技术[J].煤炭工程,2015,47(10):1-4.
[2] 张申.煤矿自动化发展趋势[J].工矿自动化,2013,39(2):27-33.
[3] RASILO P,BELAHCEN A,ARKKIO A.Importance of iron-loss modeling in simulation of wound-field synchronous machines[J].IEEE Transactions on Magnetics,2012,48(9):2495-2504.
[4] 赵纪龙,林明耀,付兴贺,等.混合励磁同步电机及其控制技术综述和新进展[J].中国电机工程学报,2014,34(33):5876-5887.
[5] ZHU Z Q,ZHOU Y J,CHEN J T,et al.Investigation of nonoverlapping stator wound-field synchronous machines[J].IEEE Transactions on Energy Conversion,2015,30(4):1420-1427.
[6] 谭国俊,吴轩钦,李浩,等.Back-to-Back双三电平电励磁同步电机矢量控制系统[J].电工技术学报,2011,26(3):36-43.
[7] 戴鹏,付凤超,符晓,等.电励磁同步电机全阶磁链观测器设计[J].电机与控制应用,2011,38(9):7-10.
[8] 吴轩钦,谭国俊,宋金梅,等.基于混合磁链观测器电励磁同步电机矢量控制[J].电机与控制学报,2010,14(3):62-67.
[9] 景巍,谭国俊,吴轩钦.考虑磁场饱和效应的电励磁同步电机矢量控制[J].电力电子技术,2010,44(10):72-74.
[10] ZHU Z Q,WU Z Z,EVANS D J,et al.A wound field switched flux machine with field and armature windings separately wound in double stators[J].IEEE Transactions on Energy Conversion,2015,30(2):772-783.
[11] 范子超,于庆广,张晓明.双定子绕组同步电机及其单绕组等效模型[J].电工技术学报,2007,22(2):2-8.
[12] 陈增禄,刘娟娟,马鑫,等.电压型驱动按定子或气隙磁链定向的优势分析[J].电力系统及其自动化学报,2013,25(1):79-85.
NIU Bing1,ZHANG Hao1,GUO Rongming1,WU Xiaojie2
(1.National Grid Liaoning Province Power Company,Dalian 116001,China; 2.School of Information and Electrical Engineering,China University of Mining and Technology,Xuzhou 221116,China)
Abstract:In order to ensure safe and reliable operation of high power mine equipment in fault condition,a fault tolerant operation method of double winding WFSMs system in high power mine equipment was proposed.First,double winding WFSMs mathematical model under two phase rotating coordinate system was set up,and air gap flux was selected as main magnetic field of vector control.Then,mixture gap flux observer of self-switching voltage and current model were built.On this basis,double WFSMs vector control system was designed based on primary and slave parallel drive mechanism,and changing relationship of the WFSMs system models in fault condition was pointed out,then active current correction mechanism was introduced to realize tolerant operation of double winding WFSMs.Finally,2.5 MW mine hoist industrial field test results show that the proposed method can realize tolerant operation of the system in fault condition,and meanwhile guarantee dynamic and steady state performance of the WFSMs drive system.
Key words:mine equipment; double winding; wound field synchronous machines; fault tolerant operation
文章编号:1671-251X(2016)10-0016-06 DOI:10.13272/j.issn.1671-251x.2016.10.004
牛兵,张昊,郭榕明,等.大功率煤电装备双绕组WFSMs系统容错运行方法[J].工矿自动化,2016,42(10):16-21.
收稿日期:2016-06-16;
修回日期:2016-08-18;责任编辑:胡娴。
基金项目:国家自然科学基金项目(51504253)。
作者简介:牛兵(1981-),男,辽宁大连人,高级工程师,主要研究方向为电力电子新技术在供电系统中的应用,E-mail:lndl_swf@163.com。通信作者:伍小杰(1960-),男,湖南衡阳人,教授,博士研究生导师,主要研究方向为电力电子与电力传动,E-mail:cumt_wxj@126.com。
中图分类号:TD614
文献标志码:A 网络出版时间:2016-09-30 10:18